В наличии

Электромеханический замок CISA 15515 (BS64*85мм) без торцевой планки

  • Код DE-00105506
  • Бренд Cisa
Цена товара за 1 шт 10 699.00 ₴
шт
Спецификация
  • Артикул 39767
  • Страна-производител Италия
  • Гарантия 2 года
  • Способ монтажа врезной
  • Тип товара Электромеханический замок
Техническое описание

Електромеханічний замок CISA 15515 – це надійне рішення для вхідних металевих дверей, зокрема й броньованих. Завдяки 4-му класу безпеки, він забезпечує високий рівень захисту і підходить для встановлення на двері з правим або лівим відкриванням. Його корпус виготовлений із оцинкованої сталі, а язичок і ригелі – із нікельованого металу. Це гарантує довговічність конструкції навіть за інтенсивного використання.

Керування замком здійснюється серцевиною, ручками та електричним імпульсом, який дає пристрій керування. Це означає, що 4 основних ригеля можна відкрити тільки механічним способом за допомогою циліндра стандарту EURO DIN. Язичок в такому випадку можна затягнути електричним імпульсом, ручкою та циліндром. В якості пристрою керування можуть виступати системи контролю доступу або віддалений пристрій (реле часу, кодонабірна панель чи кнопки).

Важливо зазначити, що при умові встановлення замка на двері, де з обох сторін фіксована ручка –– язичок затягується електричним імпульсом пристрою керування або циліндром. При встановлені із зовнішньої сторони фіксованої ручки –– замок можна відчинити тільки електричним імпульсом чи циліндром. Якщо натискна ручка встановлена зсередини, то відчинити можна ще й за допомогою неї. Тобто без подачі електричного імпульсу простим натисканням на ручку.

Додатковою особливістю замка є провушини для встановлення тяг, які можна придбати окремо. Завдяки шестерному редуктору процес обертання ключа стає значно легшим і комфортнішим. Електромеханічна частина працює в нормально замкненому стані. Це означає, що розблокування замка відбувається після короткочасної подачі живлення тривалістю трохи більше однієї секунди. Дана особливість стане актуальною в умовах, коли потрібно забезпечити блокування дверей у разі зникнення напруги живлення.

CISA 15515 відповідає суворим європейським стандартам і сертифікований за EN 12209:2003. Він розрахований на 200 000 циклів відкривання/закривання, що підтверджує його довговічність. Замок витримує фронтальне навантаження на язичок-защіпку до 1000 кг та бічне – до 600 кг, що гарантує високий рівень стійкості до зламу.

Для повноцінної роботи замка потрібно додатково придбати серцевину, зворотну планку, кабель і кабелепрохід. Встановлення цього замка повинно виконуватися кваліфікованим майстром для забезпечення його коректного функціонування та довговічності. CISA 15515 стане оптимальним вибором для тих, хто шукає надійний, функціональний і сучасний захист для своїх дверей.

Замок є аналогом врізного механізму CISA 15535, але без торцевої планки.

Особливості:

  • Електромеханічний замок для використання у важких вхідних дверях.
  • Призначений для металевих дверей з максимальною вагою понад 200 кг.
  • Підходить для правих та лівих дверей.
  • Замок працює в нормально замкненому стані: розблокування закритого замка відбувається при подачі електричного сигналу.
  • Ззовні ставиться тягнуча ручка або скоба, зсередини натискна.
  • Керується ручками, електричним імпульсом та серцевиною.
  • Матеріал замка, язичка та ригелів – нікельована сталь.
  • Язичок-защіпка керується електричним імпульсом, серцевиною та ручками.
  • Є можливість перевороту язичка без розбирання замка.
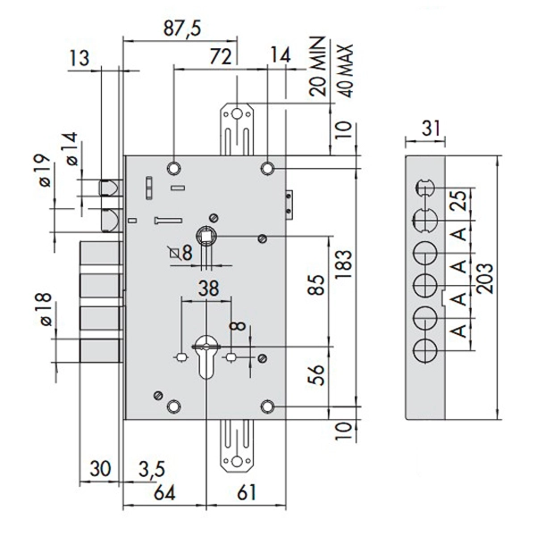
  • 4 ригеля діаметром 18 мм керуються лише серцевиною.
  • Вихід ригелів – 30 мм.
  • Діапазон робочої напруги – 12V AC/DC.
  • Струм споживання: 3,1 А.
  • Тривалість електричного імпульсу – не більше 1 секунди.
  • Замок блокується при закриванні дверей.
  • Бексет – 64 мм.
  • Міжосьова відстань – 85 мм.
  • Повне закривання за 3 оберта ключа.
  • Є кріплення для тяг.
  • Без торцевої планки.
  • Сертифікований за європейським стандартом EN 12209:2003.
  • Сертифікований на 200 000 циклів відкривання/закривання.
  • Опір до зламу: фронтальне навантаження на язичок-защіпку - 1000 кг, бічне 600 кг.
  • Додаткова комплектація: зворотня планка, адаптер під шток, кабель, кабелепрохід.
  • Гарантія – 2 роки.
  • Країна виробник – Італія.

Комплектація:

  • Замок.
  • Комплект кріплення.
  • Паспорт-інструкція користувача.
Отзывы
0

    Для этого товара еще не было оставлено ни одного отзыва.

    Если Вы хотите оставить отзыв, авторизуйтесь, пожалуйста, на сайте

    Авторизоваться

Добавлено в корзину

Жодного товару не додано до кошику
  • Общая сумма ( 0 позиций ) 0.00 ₴