В наличии

Механізм замка CISA 56415 (BS64*85мм) без торцевої планки

  • Код DE-00105650
  • Бренд Cisa
Цена товара за 1 шт 3 607.00 ₴
шт
Спецификация
  • Артикул 41687
  • Тип установки замка для металлических дверей
  • Механизм закрытия сердцевиной
  • Страна-производител Италия
  • Тип товара Врезний замок
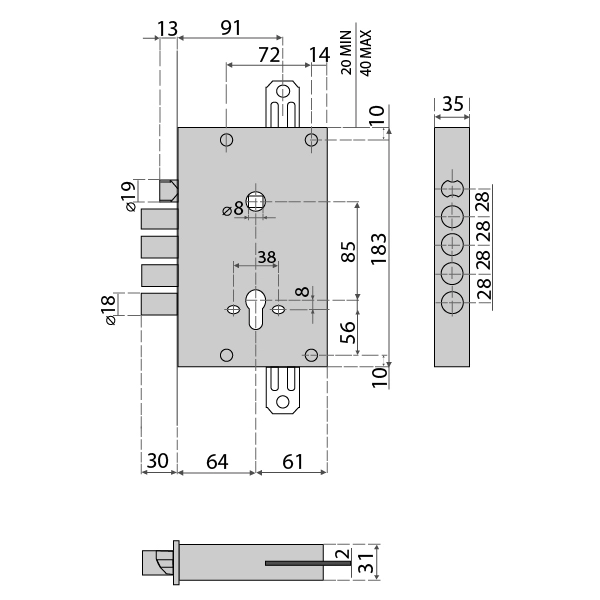
  • Межцентровое расстояние 85 мм
Техническое описание

CISA 56415 – це врізний замок італійського виробництва. Він розроблений спеціально для стальних вхідних дверей, забезпечуючи високий рівень захисту та надійність. Призначений для дверей з максимальною вагою 200 кг. Обладнаний чотирма ригелями, кожен з яких висувається на 30 мм, а також двома кріпленнями для тягових штоків. Це створює три точки замикання, що підвищує стійкість до зламу та покращує загальну безпеку дверей.

Даний циліндровий замок поєднує в собі високу міцність і чудову зламостійкість. Це робить його ідеальним для використання в якості основного – механізм керується за допомогою змінного циліндра та ручок. Серцевину можна окремо підібрати відповідно до вимог безпеки та рівня секретності. Додаткова засувка (язичок) із діаметром 19 мм додає до загальної надійності системи.

CISA 56415 підходить для встановлення на двері як лівого, так і правого відкривання завдяки реверсивному язичку, що забезпечує універсальність і зручність у монтажі. В конструкції присутні отвори для встановлення броненакладки. Вона використовується для додаткового захисту серцевини від спроб маніпуляцій з ними і посилює загальний захист. Це робить даний замок оптимальним вибором для захисту вхідних дверей у приміщеннях з високими вимогами до безпеки. Сертифікований за європейським стандартом EN 12209:2016, що підтверджує його високу якість і відповідність сучасним вимогам безпеки.

Сертифікований на 200 000 циклів відкривання/закривання, тому замок рекомендовано для використання в місцях з великою інтенсивністю руху людей – офісні, громадські чи комерційні приміщення. Він має високу стійкість до корозії та забезпечує надійну роботу навіть в агресивних умовах. Крім того, замок сертифікований за 4-м ступенем захисту – витримує тиск 700 кг при бічному поштовху та 500 кг на розрив. Це гарантує максимальну стійкість до спроб зламу. Врізний замок CISA 56415 є аналогом замка CISA 56435, але без торцевої планки.

Особливості:

  • Встановлюється на стальні вхідні двері.
  • Призначений для дверей з максимальною вагою 200 кг.
  • Механізм закривання – серцевиною.
  • Підходить для дверей правого і лівого відкривання.
  • Місце монтажу – нижній (основний).
  • Є можливість перевороту язичка без розбирання замка.
  • Повне закривання за 2 оберта ключа.
  • 4 стальних ригелі – діаметром 18 мм.
  • Вихід ригелів – 30 мм.
  • BackSet – 67,5 мм.
  • Міжосьова відстань – 85 мм.
  • Є кріплення для тяг.
  • Розмір торцевої планки – 350х35 мм.
  • Покриття торцевої планки – гальваніка.
  • Сертифікований за європейським стандартом EN 12209:2016.
  • Сертифікований на 200 000 циклів відкривання/закривання.
  • Рекомендовано для використання в місцях з великою інтенсивністю руху людей.
  • Висока корозійна стійкість.
  • Сертифікований за 4-м ступенем захисту – витримує тиск 700 кг при бічному поштовху та 500 кг на розрив.
  • Аналог врізного замка CISA 56435.
  • Без торцевої планки.
  • Країна виробник – Італія.
Комплектація:
  • Механізм замка.
Отзывы
0

    Для этого товара еще не было оставлено ни одного отзыва.

    Если Вы хотите оставить отзыв, авторизуйтесь, пожалуйста, на сайте

    Авторизоваться

Добавлено в корзину

Жодного товару не додано до кошику
  • Общая сумма ( 0 позиций ) 0.00 ₴