Под заказ

Механізм замка CISA 56765 двосистемний Revolution Pro (BS64*85мм) взаємозалежний з блок.без планки

  • Код DE-00105651
  • Бренд Cisa
Цена товара за 1 шт 5 244.00 ₴
шт
Спецификация
  • Артикул 41708
  • Тип установки замка для металлических дверей
  • Механизм закрытия сердцевиной + сердцевиной
  • Страна-производител Италия
  • Гарантия 5 лет
  • Тип товара Врезний замок
  • Межцентровое расстояние 85 мм
Техническое описание

Замок CISA 56765 – це комбінований замок, закривання якого здійснюється двома серцевинами стандарту EURO DIN. Це посилює захисні властивості, тому його зазвичай майстри радять до встановлення в металеві двері посиленої конструкції. Замок 4-х ригельний, але має ще додатковий ригель, що керується верхнім циліндром. Він же блокує роботу основного нижнього механізму. 

Головною перевагою механізму CISA 56765 є вбудована в нижню частину замка редукторна система. Вона покращує стійкість конструкції до зносу забезпечуючи вдосконалену механіку, плавний хід ригелів при повороті ключа та низький рівень шуму під час роботи. Закривання здійснюється в такому порядку: спочатку закриваєте нижню серцевину і тільки після цього додаткову верхню. При цьому відкрити основний механізм при закритому додатковому циліндрі – неможливо. Відкриття замка відбувається в зворотному порядку. 

Особливістю цієї моделі є система безпеки Revolution Pro: відбувається блокування замок при видаленні нижньої серцевини із гнізда. Вона активується при повному закриванні за 3 оберта ключа. Замок є повним аналогом механізму CISA 56785 Revolution Pro, але без торцевої планки.

Особливості:

  • Встановлюється на вхідні металеві двері.
  • Призначений для важких броньованих дверей з максимальною вагою понад 200 кг.
  • Підходить для дверей правого і лівого відкривання: реверсивний оцинкований язичок високої міцності.
  • Місце монтажу – нижній (основний).
  • Комбінований тип секретності: серцевиною + серцевиною.
  • Верхній циліндр є додатковим і блокує роботу основного нижнього.
  • Відкрити основний механізм при закритому додатковому циліндрі – неможливо.
  • Система безпеки Revolution Pro – блокування замка при видаленні нижньої серцевини із гнізда. 
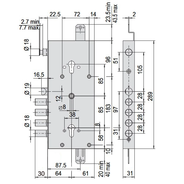
  • Бексет – 64 мм.
  • Міжосьова відстань – 85 мм.
  • Закривання відбувається в три сторони.
  • Є провушини для установки додаткових тяг.
  • Чотири основні круглі стальні ригелі діаметром 18 мм.
  • Вихід ригелів – 30 мм.
  • Додатковий верхній ригель діаметром 18 мм з виходом 22,5 мм.
  • Сертифікований за європейським стандартом EN 12209:2003.
  • Сертифікований на 200 000 циклів відкривання/закривання.
  • Рекомендовано для використання в місцях з великою інтенсивністю руху людей.
  • Висока корозійна стійкість при зовнішній температурі від -10° до +60°С. (240 годин).
  • Сертифікований за 6-м ступенем захисту – витримує тиск 1000 кг при бічному поштовху та 600 кг при поштовху знизу.
  • Є аналогом врізного механізму CISA 56785 Revolution Pro.
  • Без торцевої планки.
  • Гарантія – 5 років.
  • Країна виробник – Італія.
Комплектація:
  • Механізм замка.
Отзывы
0

    Для этого товара еще не было оставлено ни одного отзыва.

    Если Вы хотите оставить отзыв, авторизуйтесь, пожалуйста, на сайте

    Авторизоваться

Добавлено в корзину

Жодного товару не додано до кошику
  • Общая сумма ( 0 позиций ) 0.00 ₴