Под заказ

Механізм замка CISA 56815 Comfortlock (BS64*85мм) без торцевої планки

  • Код DE-00105645
  • Бренд Cisa
Цена товара за 1 шт 7 985.00 ₴
шт
Спецификация
  • Артикул 42016
  • Тип установки замка для металлических дверей
  • Механизм закрытия сердцевиной
  • Страна-производител Италия
  • Гарантия 5 лет
  • Тип товара Врезний замок
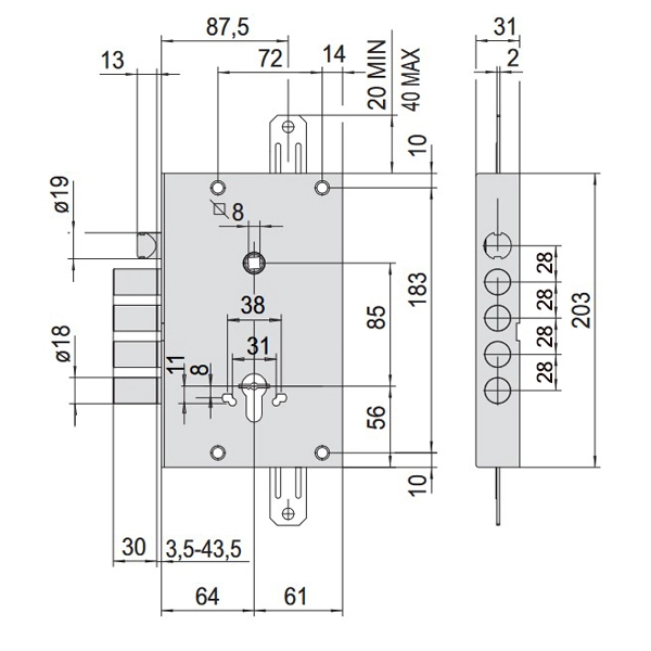
  • Межцентровое расстояние 85 мм
Техническое описание

Врізний замок італійського виробництва CISA 56815 Comfortlock – це 4-х ригельний замок із циліндровим механізмом закривання і язичком. Керується ручкою та серцевиною поширеного стандарту EURO DIN, яка обирається окремо в залежності від Ваших потреб. Замок встановлюють на металеві вхідні двері в якості основного.

CISA 56815 Comfortlock підходить для броньованих дверей бо обладнаний ригелями зі сталі. Також він має змогу збільшувати свій рівень захисту завдяки обраному типу циліндра та встановленню захисної пластини.

Для додаткового захисту від висвердлювання майстри рекомендують встановлювати захисну пластину CISA Protect. Зауважимо, що ручки в комплект не входять та докуповуються окремо. Врізний замок CISA 56815 Comfortlock є аналогом механізму CISA 56835 Comfortlock, але без торцевої планки.

Особливості:

  • Встановлюється в металеві вхідні двері.
  • Призначений для дверей з максимальною вагою 200 кг.
  • Підходить для дверей правого і лівого відкривання.
  • Місце монтажу – нижній (основний).
  • Система Comfortlock: зсередини відкривається натисканням на ручку, закривання ззовні і зсередини – підняттям ручки.
  • Матеріал корпусу – сталь.
  • Керується ручкою та серцевиною.
  • Ключ потрібний тільки для відмикання замка зовні.
  • Бексет – 64 мм.
  • Міжосьова відстань – 85 мм.
  • Є кріплення для тяг.
  • Є можливість перевороту язичка без розбирання замка.
  • Має функцію "антипаніка".
  • Чотири круглі сталеві ригелі діаметром 18 мм.
  • Вихід ригелів – 38 мм.
  • Сертифікований за європейським стандартом EN 12209:2003/AC:2005.
  • Сертифікований на 200 000 циклів відкривання/закривання.
  • Рекомендовано для використання в місцях з великою інтенсивністю руху людей.
  • Висока корозійна стійкість при зовнішній температурі від -10° до +60°С. (240 годин).
  • Сертифікований за 6-м ступенем захисту – витримує тиск 1000 кг при бічному поштовху та 600 кг при поштовху знизу.
  • Ручки на розеті в комплект не входять.
  • Є аналогом врізного механізму CISA 56835 Comfortlock.
  • Без торцевої планки.
  • Гарантія – 2 роки.
  • Країна виробник – Італія.

Комплектація:

  • Механізм замка.
  • Комплект кріплення.
Отзывы
0

    Для этого товара еще не было оставлено ни одного отзыва.

    Если Вы хотите оставить отзыв, авторизуйтесь, пожалуйста, на сайте

    Авторизоваться

Добавлено в корзину

Жодного товару не додано до кошику
  • Общая сумма ( 0 позиций ) 0.00 ₴