Под заказ

Механізм замка CISA 57655 ALPS (BS64мм) з перекодуванням без торцевої планки

  • Код DE-00105646
  • Бренд Cisa
Цена товара за 1 шт 5 016.00 ₴
шт
Спецификация
  • Артикул 42017
  • Тип установки замка для металлических дверей
  • Механизм закрытия Сувальный
  • Колличество ключей 5 + 1 шт
  • Страна-производител Италия
  • Гарантия 5 лет
  • Тип товара Врезний замок
Техническое описание

Врізний механізм італійського виробництва CISA 57655 ALPS – це 5-ти ригельний замок із сувальдним типом закривання та можливістю до перекодування. Його встановлюють на металеві вхідні двері в якості верхнього додаткового або в якості основного для гаражних воріт.

Особливістю цієї моделі є система захисту блокування сувальд ALPS. Її принцип роботи заснований на відмінності в роботі оригінального ключа і відмичок. Замок блокується майже миттєво і безшумно при спробі застосування відмичок та характерного впливу на кодовий механізм замка. Є захист від злому методом “згортку”. Ригелі витримують фронтальний тиск в 1000 кг та бічний – 600 кг. Гартована стійка та пакет з пластин завадять свердлінню стійки хвостовика.

CISA 57655 можна встановити як в ліві, так і праві двері завдяки тому, що язичок можно перевернути без розбирання замка. Для додаткового захисту від висвердлювання майстри рекомендують встановлювати захисну пластину CISA Anti-Drill Big.

Механізм CISA 57655 є аналогом CISA 57675, але без торцевої планки.

Особливості:

  • Встановлюється на вхідні металеві двері.
  • Призначений для важких броньованих дверей з максимальною вагою понад 200 кг.
  • Підходить для дверей правого і лівого відкривання.
  • Місце монтажу – верхній (додатковий).
  • Керується сувальдним ключем.
  • Система захисту блокування сувальд ALPS – від "самоімпресного ключа", класичних відмичок Хоббса, "набірного" ключа тощо.
  • Захист від зламу методом “згортку”.
  • Захист від забивання ригеля в корпус замка – спеціальні блокуючі пластини.
  • Захист від свердління стійки хвостовика.
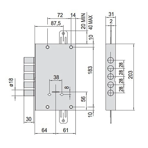
  • Бексет – 64 мм.
  • Можливість установки додаткових тяг.
  • Вихід вертикальних тяг – 20 мм.
  • П'ять круглих стальних ригелі діаметром 18 мм.
  • Вихід ригелів – 30 м.
  • Квадрат під ручку – 8 мм.
  • Сертифікований за європейським стандартом EN 12209:03 - ICIM 0059CS.
  • Сертифікований на 200 000 циклів відкривання/закривання.
  • Рекомендовано для використання в місцях з великою інтенсивністю руху людей.
  • Висока корозійна стійкість при зовнішній температурі від -10° до +60°С. (240 годин).
  • Сертифікований за 6-м ступенем захисту – витримує тиск 1000 кг при бічному поштовху та 600 кг при поштовху знизу.
  • Можливість додаткового підсилення замка захисними пластинами CISA Anti-Drill Big.
  • Замок постачається у технічному пакуванні – загорнутий тільки плівкою.
  • Є аналогом врізного механізму CISA 57675 ALPS.
  • Без торцевої планки.
  • Гарантія – 5 років.
  • Країна виробник – Італія.
Комплектація:
  • Механізм замка.
  • Ключі (5 шт+1 монтажний).
Отзывы
0

    Для этого товара еще не было оставлено ни одного отзыва.

    Если Вы хотите оставить отзыв, авторизуйтесь, пожалуйста, на сайте

    Авторизоваться

Добавлено в корзину

Жодного товару не додано до кошику
  • Общая сумма ( 0 позиций ) 0.00 ₴