Под заказ

Механізм замка CISA 56515 Revolution Pro (BS64*85мм) редукторний з блокуванням без торцевої планки

  • Код DE-00105649
  • Бренд Cisa
Цена товара за 1 шт 3 309.00 ₴
шт
Спецификация
  • Артикул 41538
  • Тип установки замка для металлических дверей
  • Механизм закрытия сердцевиной
  • Страна-производител Италия
  • Гарантия 5 лет
  • Тип товара Врезний замок
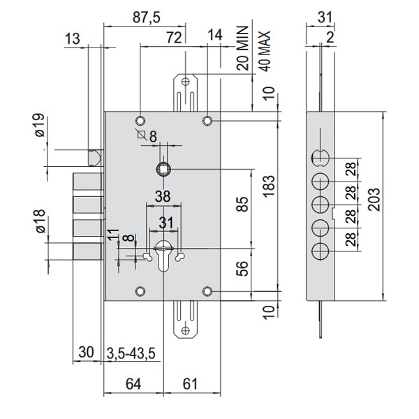
  • Межцентровое расстояние 85 мм
Техническое описание

Врізний замок італійського виробництва CISA 56515 Revolution Pro – це 4-х ригельний замок із циліндровим механізмом закривання і язичком. Керується ручкою і серцевиною поширеного стандарту EURO DIN, яка обирається окремо в залежності від ваших потреб. Замок встановлюють на металеві вхідні двері в якості основного.

Головною перевагою механізму CISA 56515 можна вважати вбудовану редукторну систему, яка покращує стійкість конструкції до зносу. Вона забезпечує вдосконалену механіку, плавний хід ригелів при повороті ключа і низький рівень шуму під час роботи.

Особливістю цієї моделі є система безпеки Revolution Pro, яка блокує хід ригелів у випадку вибивання циліндра, що значно підвищує зламостійкість конструкції та унеможливлює несанкціоноване проникнення. Вона активується при повному закриванні на 3 оберта ключа. Серія замків має 4 ригелі та встановлюється як на ліво-, так і правосторонні двері завдяки реверсивному язичку. Для додаткового захисту від висвердлювання майстри рекомендують встановлювати захисну пластину CISA Protect.

Механізм CISA 56515 є аналогом CISA 56535, але без торцевої планки.

Особливості:

  • Встановлюється в металеві вхідні двері.
  • Призначений для важких броньованих дверей з максимальною вагою понад 200 кг.
  • Підходить для дверей правого і лівого відкривання.
  • Місце монтажу – нижній (основний).
  • Система безпеки Revolution Pro – блокування замка при вириванні серцевини.
  • В основі роботи – редукторний механізм.
  • Механізм закривання – серцевиною.
  • Є можливість перевороту язичка без розбирання замка.
  • Повне закривання за 3 оберта ключа.
  • Бексет – 64 мм.
  • Міжосьова відстань – 85 мм.
  • Є кріплення для тяг.
  • 3 стальних ригеля діаметром 18 мм.
  • Вихід ригелів – 38 мм.
  • Сертифікований за європейським стандартом EN 12209:03 - ICIM 0059CS.
  • Сертифікований на 200 000 циклів відкривання/закривання.
  • Рекомендовано для використання в місцях з великою інтенсивністю руху людей.
  • Висока корозійна стійкість при зовнішній температурі від -10° до +60°С. (240 годин).
  • Сертифікований за 6-м ступенем захисту – витримує тиск 1000 кг при бічному поштовху та 600 кг при поштовху знизу.
  • Замок постачається у технічному пакуванні – загорнутий тільки плівкою.
  • Є аналогом врізного механізму CISA 56535 Revolution Pro.
  • Без торцевої планки.
  • Гарантія – 5 років.
  • Країна виробник – Італія.
Комплектація:
  • Механізм замка.
Отзывы
0

    Для этого товара еще не было оставлено ни одного отзыва.

    Если Вы хотите оставить отзыв, авторизуйтесь, пожалуйста, на сайте

    Авторизоваться

Добавлено в корзину

Жодного товару не додано до кошику
  • Общая сумма ( 0 позиций ) 0.00 ₴